Cuve de stockage d'occasion
- Matériel: Inox 304
- état: d'occasion
- Contenance (litres): 50000 L
- En stock: 1
| Général | |
|---|---|
| Numéro d'article | 03.44.BR.xx50 |
| matériel | Inox 304 |
| Finition soudures à l'intérieur | Meulées |
| Nombre | 1 |
| Contenu (Litres) | 50000 |
| Type cuve | Cuve de stockage |
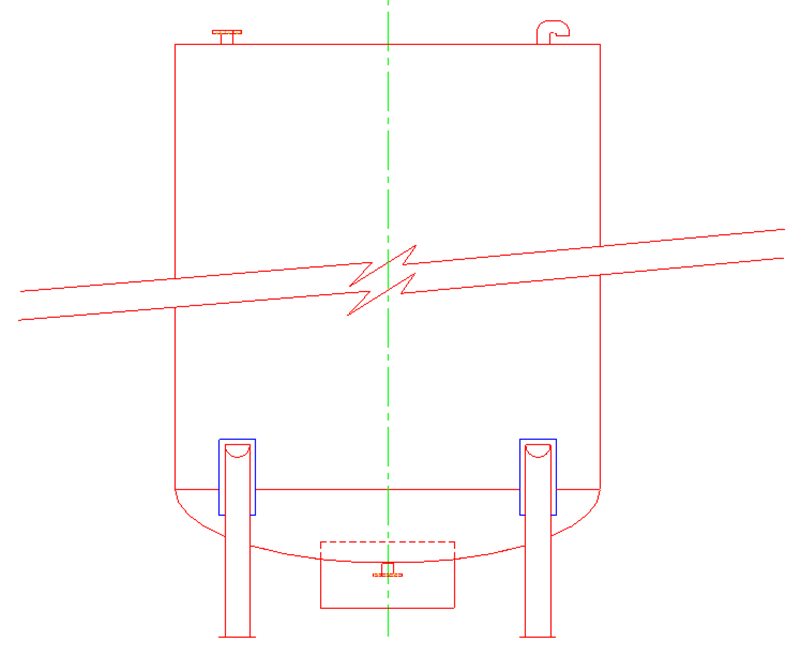
| Fixation | 4 pieds |
| Modèle de la cuve | Vertical |
| Forme de la cuve | Cylindrique |
| Fond | Fond bombé |
| Modèle de la cuve | Simple paroi |
| Nombre de trou d'homme | 1 |
| Position du trou d'homme (s) | Côté fond |
| Dimensions des trous d'homme | 510x405mm |
| Cuve avec vidange totale? | Oui |
| Type de sortie (s) | flens |
| Diamètre de sortie (mm) | 80 |
| localité | B-7711 Belgique |
| Dernière application | Alimentaire |
| Provision nettoyage cuve | Aucun |
| Poids (kg) | 2300 |
| état | d'occasion |
| Plaque du constructeur | Non |
| Année de construction | 1978 |
| Annexe 1 | 0344BRxx50_01.pdf |
| Dôme | |
|---|---|
| Configuration dôme | Fermé |
| détail dôme fermé | Fond plat |
| Épaisseur du dôme fermé (mm) | 3 |
| Dimensions | |
|---|---|
| Épaisseur Cylindre (mm) | 3 |
| Épaisseur du fond (mm) | 4,7 |
| Périphérie (mm) | 9030 |
| Longueur cylindrique (mm) | 7500 |
| La hauteur du fond (mm) | 500 |
| Hauteur totale (mm) | 3125 |
| longueur (mm) | 8500 |
| Diamètre cuve (mm) | 2870 |
| Largeur (mm) | 3075 |
| isolation | |
|---|---|
| isolation | Non |

